永东股份(002753.SZ)公布,公司于近日收到由国家知识产权局颁发的《实用新型专利证书》。专利号:ZL 2025 20308757.0,专利名称:一种延长炭黑混炼胶硫化速度的装置。
根据摘要,本实用新型属于炭黑混炼技术领域,具体涉及一种延长炭黑混炼胶硫化速度的装置。所述装置包括造粒水系统、排气脱水装置、静态混合器、粉状炭黑储罐、湿法造粒机、滚筒干燥机和排气袋滤器;所述造粒水系统出口端和排气脱水装置出口端分别通过静态混合器与湿法造粒机进口端连通,粉状炭黑储罐出口端与湿法造粒机进口端连通,滚筒干燥机进口端与湿法造粒机出口端,滚筒干燥机出口端通过排气袋滤器与排气脱水装置进口端连通。
通过本实用新型装置和方法制备的炭黑,表面具有大量酸性官能团,在与橡胶混炼加工时,能够有效地延长混炼胶的硫化速度10%左右,为加工过程提供更充裕的操作时间,有利于混炼均匀,提高橡胶制品的性能稳定性。

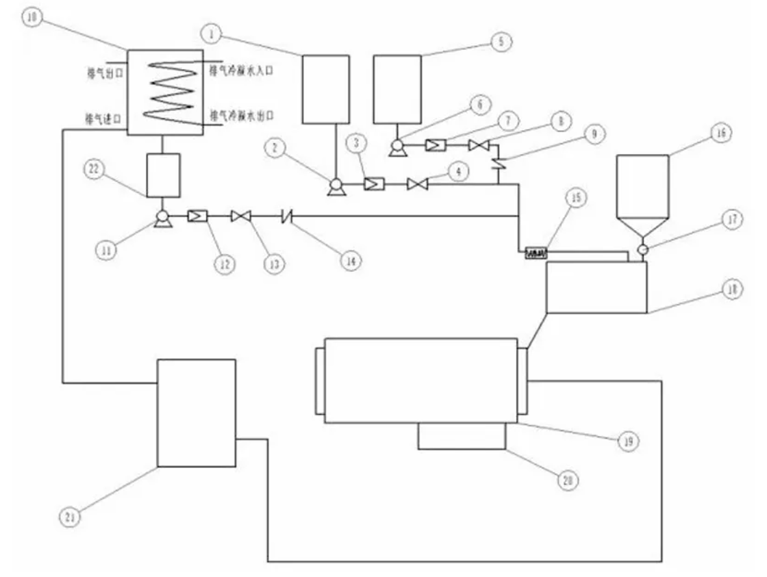
(设备流程图)
使用步骤如下:
S1.将含有炭黑的尾气引入排气袋滤器21,过滤炭黑;
S2.过滤后的尾气进入排气脱水装置10进行脱水处理,将气态的水和其他可冷凝物质转化为液态,收集至排气冷凝水罐22;排气脱水装置10中循环冷凝水温度≤40℃、排气出口温度≤85℃,排气冷凝水罐22中冷凝水pH值为2‑4;
S3.造粒水罐1经造粒水泵2,造粒水流量计3和造粒水流量调节阀4引出造粒水,粘结剂罐5经粘结剂泵6,粘结剂流量计7,粘结剂流量调节阀8和粘结剂止回阀9引出粘结剂,排气冷凝水罐22经排气冷凝水泵11,排气冷凝水流量计12,排气冷凝水流量调节阀13和排气冷凝水止回阀14引出冷凝水,在静态混合器15中形成混合液;
S4.粉状炭黑从粉状炭黑储罐16经气密阀17输送至湿法造粒机18中,在造粒机的作用下,混合液与炭黑充分接触,形成湿炭黑粒子;
S5.将湿炭黑粒子送入滚筒干燥机19内,通过尾气燃烧炉20加热干燥脱去水分,形成表面具有大量酸性官能团的炭黑干燥粒子,加热产生的尾气再次进入排气袋滤器21。
(来源:国家知识产权局)



















